Grip er et uisolert system som passer godt til hagestuer som skal brukes store deler av året, og innglassing av balkonger som krever et solid system som tåler sterk vindlast. Vi produserer også glasstak tilpasset til hvilket system du skal ha.
Det er tilnærmet samme system som Ona, bortsett fra at Ona har brutt kuldebro i aluminiumsprofilene.
Grip leveres som standard med 2-lags herdet isolerglass for styrke, isolasjonsevne og sikkerhet. Vi lager dører, vinduer, faste glasspartier og tak i dette systemet. Alt etter mål og norskprodusert!
MATERIALE
Aluminium produsert i Belgia.
Glass fra Pilkington, produseres i Elverum.
Behandling av aluminiumsoverflaten:
Seks standard farger å velge mellom.
Pulverlakkert matt.
Tilleggsvalg:
Velg mellom hele RALs fargeskala.
Velg pulverlakkert med glans.
Glass:
Standard 2-lags herdet isolerglass.
Tilleggsvalg:
Soldempende glass.
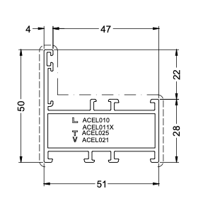
Karmbredde:51mm



Vi trekker fra 2 cm fra bredden og 1 cm fra høyden på målene du bestiller i nettbutikken. Det vil si at du må oppgi målet på lysåpningen. Se tegning for mer info.
Skal du montere karmen på underlag med terrassebord kan du velge mellom montering på bjelkelag eller på toppen av terrassebordene. Montering på bjelkelag anbefales der det er mulig, dette for å oppnå lavere terskelhøyde, enklere og bedre tetting, samt at det gir mulighet for utskiftninger av terrassebord uten å måtte ta ut karmen. Ta høyde for dette ved måltaking og bestilling.
Hvor langt ut i åpningen skal du montere karmen? Dette er viktig å tenke på ved valg av løsning av Innfestning. Normalt benyttes innfesting med å bore og skru igjennom karmen. Men dersom karmen monteres så langt ut at skruene ikke vil få tilstrekkelig feste (feks. ved å montere ytterkant karm jevnt med asfalt/vindtett plate) kan det benyttes innfestningsbraketter. Sørg også for at karmen har god understøttelse, om den kommer så langt ut at den «henger» over 2 cm (2 dørs) eller 4 cm (3 dørs) må karmen understøttes for å forhindre nedbøyning.
Kontroller at underlaget har tilstrekkelig bæreevne for å kunne montere dørene uten at underlaget bøyer seg. Dørene veier ca 32 kg/m2.
Vær oppmerksom ved myke underlag, feks. tekket terrasse med tanke på at underlaget kan gi etter, samt at det kan være utfordrende å feste karmen med skruer i bunn uten å
ødelegge tekkingen. Det kan også være utfordrende der det kan være membran under døra, feks. på dekker med flis. Lim og låsing av karmen med list/ klosser kan være at aktuelt alternativ til skruer i slike tilfeller. Ta gjerne kontakt med oss for en drøfting rundt muligheter for innfestning.
Våre produkter kommer som standard med 2 lags isolerglass og forsterkede aluminiumsprofiler som tåler det meste av vær og vind.
Skulle det imidlertid være lokale værhensyn eller andre forhold vi må ta hensyn til har vi mulighet til ytterligere forsterkninger. Ta gjerne kontakt med oss for å vurdere mulighetene.